拉網鋁單板詳情
產品介紹
拉網鋁單板規格分為長*寬,加厚度,最大寬度目前生產的設備只能生產1200mm左右,也就是1.2米左右,除非焊接,否則還沒有更大的生產設備能超出這個寬度,長度自然,因為長度可以按照這個寬度進出,長度最大做6m左右。常規都做成1220*2440mm,這個規格比較符合受力學。鋁單板厚度規定在1.5mm以上,現在市場上能做5.0mm左右,在厚的鋁板也要能加工才能用。
拉網鋁單板是使用鋁板經沖剪、拉伸而成的具有菱形孔眼的板狀網。拉網鋁單板具有很高的透光率,可以很好的起到屏蔽裝飾的作用,又能將原建筑的美感展示出來。
金屬網格應用天花具有開闊、通透的視野;是一種可用于多種建筑設計,視覺效果獨特的吊頂系統。在樣式、材質和顏色方面有廣泛的選擇,可以確保每個項目擁有獨特的外觀。金屬網格是通過特殊的制造工藝在金屬薄片表面同時進行切割和拉伸,拉網鋁單板制作出菱形網孔。
通過網孔形狀、網孔方向以及照明和顏色的變化,可以將吊頂表現得更加通透和富有動感。不同的網孔類型和材質,使吊頂設計更加富有個性、更具有時尚氣息。
拉網鋁單板外形上美觀大方,給人強烈的視覺沖擊,結構上堅固耐用;同時提供不同的光學和聲學效果,有利于設計師設計靈感的點燃。
規格參數
長寬:600*800mm,600*1200mm,800*1200mm,
厚度:1.0、1.5、2.0、2.5、3.0mm,
表面處理:石紋、木紋樣式豐富,效果高仿真,
油漆:采用美國PPG、美國威士伯Valspar、荷蘭阿克蘇諾貝爾AkzoNobel、韓國KCC的油漆,30年不褪色。
選材:1100系,3003系,
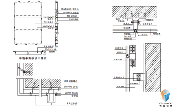
安裝方式
角鋼固定式是幕墻現在最常用的一種,另一種稱為勾搭式安裝,不用像角鋼固定那么麻煩,只需要扣上去就掉不下來,拆裝也較方便,相對角鋼固定安裝比較穩固,只是安裝和拆裝沒有那么方便,有缺有補。
材料價格
常規1.5鋁單板1平米價格在180元人民幣左右,鋁單板選用AA1100鋁板或AA3003等優質鋁合金板,俗稱1100、3003系,又分為美標和國標。價格不管標,只看系,鋁材的系是根據鋁的純度差異編輯,越純的就越高。
特點介紹
1.視覺通透,營造出一種大的空間感。
2.耐候性和耐腐蝕性好。
3.涂層均勻、色彩多樣。先進靜電噴涂技術使得油漆與鋁板間附著均勻一致,顏色多樣,選擇空間大。
4.不易弄臟,便于清潔保養。
5.安裝施工方便快捷,縮短施工工期,低安裝和維護成本。鋁板在工廠成型,施工現不需裁切,固定在架上即可。
6.可再回收利用,綠色環保。鋁板可100%回收,不同于玻璃,石材,陶瓷,鋁塑板等裝飾材料,回收價值高。
7.安裝施工方便快捷。鋁板在工廠成型,施工現場不需裁切,固定在骨架上即可。
8.可回收再利用,有利環保。鋁板可100%回收,不同于玻璃,石材,陶瓷,鋁塑板等裝飾材料,回收殘值高。
使用范圍
簡單說只要是大小建筑均可使用鋁單板,范圍可分為室內和室外,室內和室外使用的情況完全不一樣,室外幕墻還是吊頂都需要承受自然的破壞,需要經受烈日爆嗮,酸雨腐蝕,風沙氧化,甚至冰雹轟擊。
室內就不用考慮這些,室內主要是防火、防潮、防污等方面。






(拉網鋁單板勾搭式)


(拉網鋁單板機場吊頂)

(拉網鋁單板餐廳吊頂)

(拉網鋁單板大廳吊頂)

(拉網鋁單板健身房吊頂)




-------------------------------------------------------------
其他用戶還點擊了以下產品
![]() | ![]() | ![]() | ![]() |
| 木紋鋁單板 | 石紋鋁單板 | 雕花鋁單板 | 氟碳鋁單板 |
![]() | ![]() | ![]() | ![]() |
| 瓦楞鋁板 | 木紋鋁方通 | 氟碳鋁蜂窩板 | 木紋鋁格柵 |
咨詢:拉網鋁單板